a
a
a
a
a
a
a
a
a
a
a
Tentang Kami
Produk
Artikel
Katalog
Kontak Kami
Brand
Tentang Kami
Produk
Artikel
Katalog
Kontak Kami
Brand
Produk
Home
Produk
WELDING
Toggle Clamps (Horizontal Handle)
KAKUTA
HH 250
Category : WELDING
Brand : KAKUTA
Rp. 0
INQUIRY
Request Order
Hubungi kami sekarang juga untuk mendapatkan harga Produk menarik dari Kami. Team Marketing kami akan segera menghubungi anda
Name
Email
Telephone
Message
Keluar
Company URLs
PESAN SEKARANG :
Whatsapp : +62 812-8614-3374
Telp: 021-63992 (55-60)
Fax : 021-63992 (61-62)
atau
Application
Features
Specification
Link Download
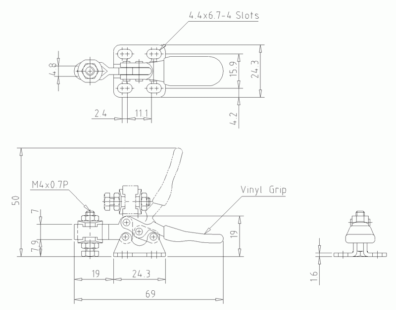
This smallest U-bar clamp same as HH 150 Supplied with nylon spindle. But Stainless Steel models supplied with stainless steel spindle.
Holding Capacity : 27 Kgs.
Weight : 27 g.
Handle Moves : 70°
Bar Moves : 90°
Loading Now
Please Wait
Nomor Invoice
Jumlah Yang Dibayarkan
Nama Pengirim
Email Pengirim
Tanggal Pembayaran
Nomor Rekening
Memo
Close
Dalam Keranjang Belanja Saya
~cart-data-2346_130~
Total Belanja
(
items ) :
LANJUT BELANJA
BAYAR