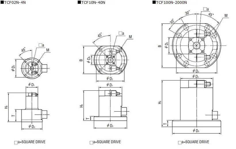
• Measurement of torque tools, and nutrunner check.
• Fixed type torque sensors. • Reaction type torque transducer that measures output of torque tools. • When a nutrunner is measured, test piece model TP (option), which absorbs impact applied to TCF, is used to simulate joint characteristics for measuring precise torque. • Suitable for installation into special machine, like preload detection.
Specifications: 1. Cable is supplied as standard accessory. 2. Not available for impact wrenches and impulse wrenches. • Over torque protection stopper is built-in. • Drill chuck, and TTF table (options) expands measuring applications.