• Holding tools for round bar marking and drilling. • Holding tools for electric discharge machining. • Holding tools for three-dimensional measuring instruments and various measuring systems.
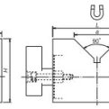
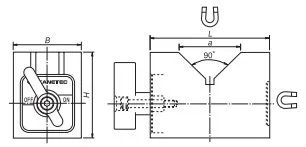
• Workpieces can be held on the top face (V face), and rear face. • T-handle ON/OFF switch comes attached, but can be removed. • They are of dripproof and oilproof construction. • One set consists of two blocks. • Super high accuracy finish is also available. Please contact us.